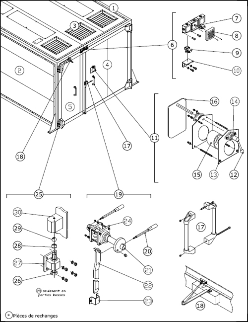
Charpente
Portes principales
Porte de secours
Ensemble bloc sécurité : contact de porte + voyant rouge
Bloc hublot avec lexan : 100 mm
Ensemble charnière porte principale
Ampoule 24 V
Couvercle rouge
Bloc contact de porte
Galet contact
Groom
Palier
Bloc de sécurité
| Ref | Désignation | Prix | Acheter |
|---|---|---|---|
| 9001 | Charpente | 0,00 € | |
| 9002 | Panneau double peau 100 mm + acier 2 x 0.6 mm. M1. Ral 1015 et 9010 | 0,00 € | |
| 9004 | Portes principales | 0,00 € | |
| 9005 | Porte de secours | 0,00 € | |
| 9006 | Ensemble bloc sécurité : contact de porte + voyant rouge | 241,20 € | |
| 9007 | Ampoule 24 V | ||
| 9008 | Couvercle rouge | ||
| 9009 | Galet contact | 104,20 € | |
| 9010 | Cornière contact | ||
| 9011 | Ensemble regard de porte inox avec sécurité | ||
| 9012 | Poignée de hublot | ||
| 9013 | Flasque avant ou arrière | ||
| 9014 | Palier | ||
| 9015 | Bloc hublot avec lexan ép : 100 mm | ||
| 9016 | Volet de protection | ||
| 9017 | Ensemble poignet de porte lg 400 (nbre 2) | ||
| 9018 | Groom | ||
| 9019 | Ensemble fermeture de porte principale | ||
| 9020 | Levier de poign | ||
| 9021 | Axe | ||
| 9022 | Tringle | ||
| 9023 | Guide | ||
| 9024 | Palier | ||
| 9025 | Ensemble charnière porte principale | ||
| 9026 | Tige de réglage | ||
| 9027 | Bloc charnière inférieur | ||
| 9028 | Guide en bronze | ||
| 9029 | Bille | ||
| 9032 | Réglette néons 2 x 58 W | ||
| 9033 | N?on 58 W | 3,80 € | |
| 9034 | Joint luminaire (au m) | 0,00 € | |
| 9035 | Vitre lexan | 0,00 € | |
| 9036 | Ecrou de serrage | ||
| 9037 | Encadrement de protection | ||
| 9038 | Ensemble protection caoutchoucs largeur 1400 | 0,00 € | |
| 9039 | Support de caoutchouc. largeur : 1 400 mm | ||
| 9041 | Ensemble bloc issue de secours (selon option) | ||
| 9042 | Support bloc secours | ||
| 9043 | Bloc de sécurité | ||
| 9044 | Vitre de protection lexan | ||
| 9045 | Joint vitre bloc sécurité | ||
| 9906 | Bloc contact de porte | 180,00 € | |
| 9912 | Panneau double peau lg : 1m x Long : 1 m (port en sus) | 67,20 € | |
| 9916 | Bloc voyant rouge | 118,50 € | |
| 9917 | Poignet de porte lg 400 | 71,90 € | |
| 9922 | Panneau double peau lg : 1m x Long : 2 m (port en sus) | 134,40 € | |
| 9932 | Panneau double peau lg : 1m x Long : 3 m (port en sus) | 201,80 € | |
| 9942 | Panneau double peau lg : 1m x Long : 4 m (port en sus) | 269,00 € | |
| 9952 | Panneau double peau lg : 1m x Long : 5 m (port en sus) | 336,20 € | |
| 9962 | Panneau double peau lg : 1m x Long : 6 m (port en sus) | 403,40 € | |
| 9972 | Panneau double peau lg : 1m x Long : 7 m (port en sus) | 470,50 € | |
| 9982 | Panneau double peau lg : 1m x Long : 8 m (port en sus) | 537,90 € | |
| 9992 | Panneau double peau lg : 1m x Long : 9 m (port en sus) | 605,10 € |
Tapis de récupération
| Ref | Désignation | Prix | Buy |
|---|---|---|---|
| 9122 | Ensemble (axe. galet. écrou. rondelles) | 0,00 € | |
| 9123 | Axe de galet | 0,00 € | |
| 9124 | Galet. diam 55 | 0,00 € | |
| 9125 | Ecrous + rondelles | 0,00 € | |
| 9130 | Ensemble raclette 600 (rond. liaisons. raclette. boulons) | 216,80 € | |
| 9131 | Ensemble raclette 800(rond. liaisons. raclette. boulons) | 228,80 € | |
| 9132 | Ensemble raclette 1000 (rond. liaisons. raclette. boulons) | 240,60 € | |
| 9133 | Ensemble raclette 1200 (rond. liaisons. raclette. boulons) | 290,60 € | |
| 9134 | Ensemble raclette 1500 (rond. liaisons. raclette. boulons) | 307,30 € | |
| 9140 | Raclette acier tapis larg : 600 | 123,60 € | |
| 9141 | Raclette acier tapis larg : 800 | 129,50 € | |
| 9142 | Raclette acier tapis larg : 1000 | 135,60 € | |
| 9143 | Raclette acier tapis larg : 1200 | 149,00 € | |
| 9144 | Raclette acier tapis larg : 1500 | 166,00 € | |
| 9147 | Rondelle carrée pliée bi-trous | 13,10 € | |
| 9148 | Liaison souple speciale | 0,00 € | |
| 9149 | Boulon | 2,50 € | |
| 9150 | Verin special diam 100 lg : 600 | 0,00 € | |
| 9151 | Pochette joints diam 100 | 0,00 € |
Caoutchouc blindage
| Ref | Désignation | Prix | Buy |
|---|---|---|---|
| 9040 | Caoutchouc blindage 3 mm 1er choix. larg: 1.4 m. entoil | 0,00 € | |
| 9050 | Caoutchouc blindage 3mm. 1er choix. larg: 1.4m. avec toile (au rouleau 10m) | 0,00 € | |
| 9060 | Caoutchouc blindage 3mm. larg: 1.4 m. (au rouleau de 10m) | 0,00 € |
Pièces élévateur
| Ref | Désignation | Prix | Acheter |
|---|---|---|---|
| 9200 | Courroie 8 plis havane larg.100mm (au mètre) | 95,30 € | |
| 9201 | Godet | 68,20 € | |
| 9202 | Boulon à ergots M10×20 avec rondelle | 0,90 € | |
| 9203 | Courroie avec godets montes (au metre) | 0,00 € | |
| 9206 | Agrafe de courroie corindon | 0,00 € | |
| 9230 | Palier applique diam 40 | 0,00 € | |
| 9231 | Carre de feutre 100x100 ep.10 mm | 0,00 € | |
| 9250 | Fut 30 l | 213,30 € |
Luminaire
| Ref | Désignation | Prix | . |
|---|---|---|---|
| 9030 | Luminaire blindé angle (4 néons de 58 W) | 962,50 € | |
| 9031 | Luminaire blindé de panneau (4 néons de 58 W) | ||
| 9034 | Joint luminaire (au m) | 0,00 € | |
| 9035 | Vitre lexan | 0,00 € |
Caillebotis galva
| Ref | Désignation | Prix | Acheter |
|---|---|---|---|
| 9160 | Caillebotis galva. épai : 40 mm. 1200 BP x 1200 | 232,10 € | |
| 9161 | Caillebotis galva. épai : 40 mm. 800 BP x 965 | 165,90 € | |
| 9162 | Caillebotis galva. épai : 40 mm. 600 BP x 1200 | 149,00 € | |
| 9163 | Caillebotis galva. épai : 40 mm. 600 BP x 900 | 122,20 € | |
| 9164 | Caillebotis brut. épai : 30 mm | 0,00 € | |
| 9165 | Caillebotis brut. épai : 40 mm | 0,00 € | |
| 9166 | Caillebotis brut. épai : 50 mm | 0,00 € | |
| 9167 | Caillebotis brut. épai : 60 mm. charges lourdes | 0,00 € | |
| 9168 | Caillebotis brut. épai : 70 mm. charges lourdes | 0,00 € | |
| 9169 | Caillebotis brut. épai : 80 mm. charges lourdes | 0,00 € |
Lorry
| Ref | Désignation | Prix | Acheter |
|---|---|---|---|
| 9199 | Lorry. charge utile de 1 à 20 tonnes | 0,00 € |
Roue acier fixe et pivotante
| Ref | Désignation | Prix | Acheter |
|---|---|---|---|
| 9180 | Roulette acier fixe Ø 80. charge 180 | 84,10 € | |
| 9181 | Roulette acier pivotante Ø 80. charge 180 | 99,10 € | |
| 9182 | Roulette acier pivotante + blocage Ø 80. charge 180 | 134,40 € | |
| 9183 | Roulette acier fixe Ø 100. charge 250 | 104,20 € | |
| 9184 | Roulette acier pivotante Ø 100. charge 250 | 117,70 € | |
| 9185 | Roulette acier pivotante + blocage Ø 100. charge 250 | 154,70 € | |
| 9186 | Roulette acier fixe Ø 125. charge 350 | 111,00 € | |
| 9187 | Roulette acier pivotante Ø 125. charge 350 | 131,10 € | |
| 9188 | Roulette acier pivotante + blocage Ø 125. charge 350 | 168,10 € | |
| 9189 | Roulette acier fixe Ø 150. charge 500 | 169,90 € | |
| 9190 | Roulette acier pivotante Ø 150. charge 500 | 220,30 € | |
| 9191 | Roulette acier pivotante + blocage Ø 150. charge 500 | 277,30 € | |
| 9192 | Roulette acier fixe Ø 200. charge 600 | 199,90 € | |
| 9193 | Roulette acier pivotante Ø 200. charge 600 | 250,40 € | |
| 9194 | Roulette acier pivotante + blocage Ø 200. charge 600 | 307,50 € |
Bloc de sécurité
Un système de récupération de l’abrasif peut équiper nos cabines.
La solution la plus intéressante pour le client est la fosse en génie civil, car c’est la gravité qui récupère l’abrasif donc sans usure, sans entretien, sans arrêt de production et sans coût de fonctionnement.
Suivant les demandes et les contraintes de nos clients, nous équipons nos cabines d’une récupération soit :
– localisée, au fond ou sur un côté de la cabine,
– totale avec une fosse en V avec couloir de récupération au fond de la fosse,
– totale avec ou sans génie civil avec plusieurs couloirs.
Notre couloir de récupération disposé sous le caillebotis dans le génie civil assure la récupération en continu de l’abrasif pour l’approvisionnement du groupe de remontée mécanique.
Le couloir « Racl’air » est constitué d’une structure rigide en UPN de 140 dans laquelle coulisse un cadre sur galets à bandage à roulements à billes étanches. Les raclettes sont reliées à un cadre par une liaison spéciale souple.
Il fonctionne par mouvements de va et vient de faible fréquence actionnés par un vérin pneumatique, il est d’un fonctionnement souple, fiable et silencieux.
Les déchets et les objets (écrous, bouts d’électrodes, boulons, …) sont retenus par une tôle perforée sous le caillebotis.