Nos sableuses 200 l. sont sur passage de fourche et ne nécessitent une ré-épreuve que tous les 10 ans.

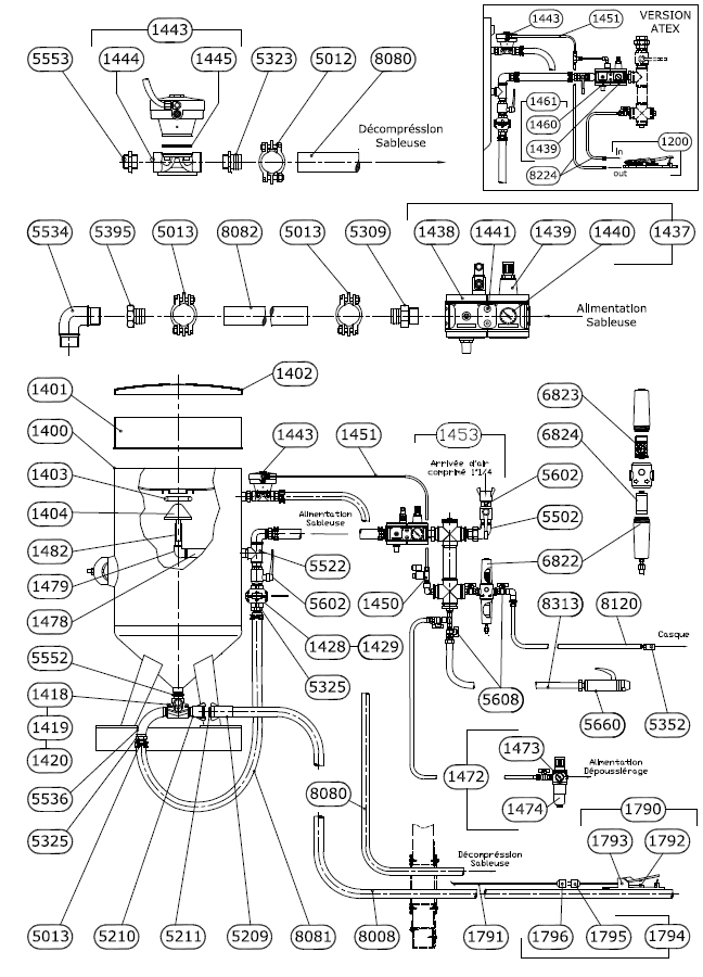
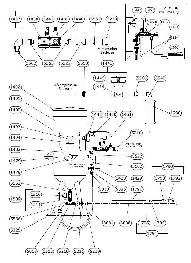
La sableuse comprend tous les équipements necessaires à son fonctionnement, doseur tout abrasif, régulateur de pression, lance de sablage avec poignée électrique et buse…

Pour faire fonctionner la sableuse en toute sécurité, elle est équipée d’une commande à distance reliée à la poignée de la lance de l’opérateur. Ce système disposé sur un distributeur pneumatique indépendant de la sableuse comprend une électrovanne d’alimentation d’air et une pneumovanne de décompression.

L’opérateur peut déclencher l’ouverture ou la fermeture de la projection d’abrasif par simple action sur la gâchette placée près de la buse de projection.
Ce dispositif de commande à distance à commande électrique basse tension (ou pneumatique si cabine Atex) est un système qui réalise la sécurité dite “Homme Mort”

L’équipement de protection de l’opérateur comprend :
– un casque complet Pano ou Droit équipé d’un flexible,
– une combinaison spéciale en cuir et une paire de gants,
– un climatiseur d’air comprimé (chaud ou froid).
– filtre à air bi-cartouche, filtre et charbon actif.

Casque de sablage
Cabines
Casque de sablage
Cabines
Casque de sablage
"PANO" PREMIUM
Casque de sablage
CONTRACOR "Comfort"
Casque de sablage
CONTRACOR "Aspect"
RefNomPrixAcheter
1400Sableuse indus. 200 lit. ''Eferest'' nue3448,60 
1500Sableuse indus. 200 lit. + dosage à membrane (1509)4141,90 
1501Sableuse indus 200 lit. + dosage à membrane (1509) + commande à distance électrique avec régulateur d air (1439)5390,00 
1502Sableuse indus 200 lit. + dosage à membrane (1509) + commande à distance pneumatique Atex (1461) avec régulateur d air (1439)5390,00 
1503Distributeur pneumatique sur socle 6 sorties avec filtre air bi-cartouche (6822) + soufflette gros débit (5660) + régulateur d air 1/21759,30 
RefNomPrixAcheter
1200Poignee de CAD pneumatique49,00 
1290Silencieux.77,20 
1401Tamis 200 litres295,60 
1402Couvercle162,40 
1403Joint de vanne cône52,80 
1404Vanne cône160,50 
1418Doseur d abrasif 1 1/4 F avec Té mélangeur MM440,80 
1419Kit joint pour 14180,00 
1420Tube 1 1/4 MM pour 14180,00 
1428Clapet anti-retour 1 1/40,00 
1429Membrane pour 14280,00 
1437Ensemble  Régulateur + Electrovanne1155,90 
1438Bloc électrovanne d alimentation sableuse 1728,80 
1439Bloc régulateur de pression392,30 
1440Manom35,00 
1441Joint torique avec attaches35,80 
1443Pneumovanne de décompression caoutchouc 10,00 
1444Corps inferieur pneumovanne 10,00 
1445Membrane pneumovanne 10,00 
1450Electrovanne pour pneumovanne NF116,80 
1451Tuyau alimentation pneumovanne17,60 
1453Tuyauterie distribution 2258,60 
1460Ensemble  régulateur + électrovanne ATEX1155,90 
1461Electrovanne d'alimentation pneu. ATEX728,80 
1472Régulateur de pression 1/2199,80 
1473Manom28,50 
1474Corps inférieur régulateur pression 1/269,90 
1478Tube 1 1/4 220 mm0,00 
1479Coude FF 11/4 x 134,40 
1482Bobine 1 160 mm24,20 
1509Vanne de dosage d abrasif 1 1/4 a membrane368,00 
1510Membrane vanne dosage 1 1/40,00 
1511Corps inferieur vanne dosage 1 1/4 sur devis0,00 
1512Té mélangeur 1 1/4 MMM caoutchouté203,50 
1790Poignée électrique pour CAD195,60 
1791Câble électrique pour CAD (au mètre)0,00 
1792Contacteur bouton pour CAD électrique91,00 
1793Poignée électrique pour CAD sans contacteur150,20 
1794Prise électrique male + femelle0,00 
1795Prise électrique male0,00 
1796Prise électrique femelle0,00 
5012Collier Ludecke SL40  (ø 32 à 40) pour tuyau 13,70 
5013Collier Ludecke SL49 (ø 39 à 49) pour tuyau 1 1/44,90 
5209Raccord express acier pour tuyau ø 32x4829,10 
5210Raccord rapide acier 1 1/4 F24,00 
5211Joint pour raccord 1 1/4 (lot de 10)21,60 
5309Raccord cannelé acier M 1 pour ø 3289,80 
5323Raccord cannelé acier sécu M 1 pour 25 (Ludecke)38,00 
5325Raccord air acier sécurité M 1 1/4 pour ø 3217,20 
5352Raccord rapide F pour tuyau ø 1010,40 
5395Raccord cannelé tournant cuivre F 1 1/4 pour ø 32x48 (avec joint)37,70 
5396Raccord cannelé cuivre M 1 1/4 pour ø 32x4831,40 
5522Té  FFF  1 1/48,30 
5532Coude FF 1 1/410,50 
5534Coude MM 1 1/413,50 
5536Coude grand rayon FF 1 1/423,00 
5540Coude MF  3/47,90 
5553Mamelon MM 15,00 
5564Réduction F 1 1/4 - M 111,10 
5565Réduction M 1 1/4 - M 1 nickelé39,50 
5566Réduction M 1 - M 3/413,00 
5582Bobine 1 1/4 lg : 40014,90 
5600Vanne quart de tour 2 MF55,30 
5602Vanne quart de tour 1 1/4 MM41,20 
5603Vanne quart de tour 1 1/4 FF35,80 
5608Vanne quart de tour 1/2 MF8,00 
5620Mini vanne MF 1/47,40 
5660Soufflette gros débit ø 8 pour tuyau ø 1354,90 
6822Filtre à air bi-cartouches sur support (régulateur. mano. 2 sorties)500,10 
6823Cartouche charbon actif130,50 
6824Cartouche filtrante déshuileur209,30 
8008Tuyau de sablage ø 32/48 Cabines20,40 
8080Tuyau décompression diam.25x39 lg 2500 mm54,10 
8081Tuyau alimentation air diam.32x48 lg 1300mm35,60 
8082Tuyau alimentation air diam.32x48 lg 145mm9,00 
8083Tuyau alimentation air diam.32x48 lg 2500mm59,60 
8120Tuyau air ø 10 x 18 (au metre)2,60 
8224Tuyau d air jumelé ø 6 x 13. rouge/bleu (au metre)3,30 
8313Tuyau air comprimé 13 x 21 (1/2). 15 bars (au mètre)4,10